Rossmund, Swakopmund: 3 Bedr Home with 1 Bedr Flat TO BE DEVELOPED

N$6,200,000
Property Details

We added hereto:

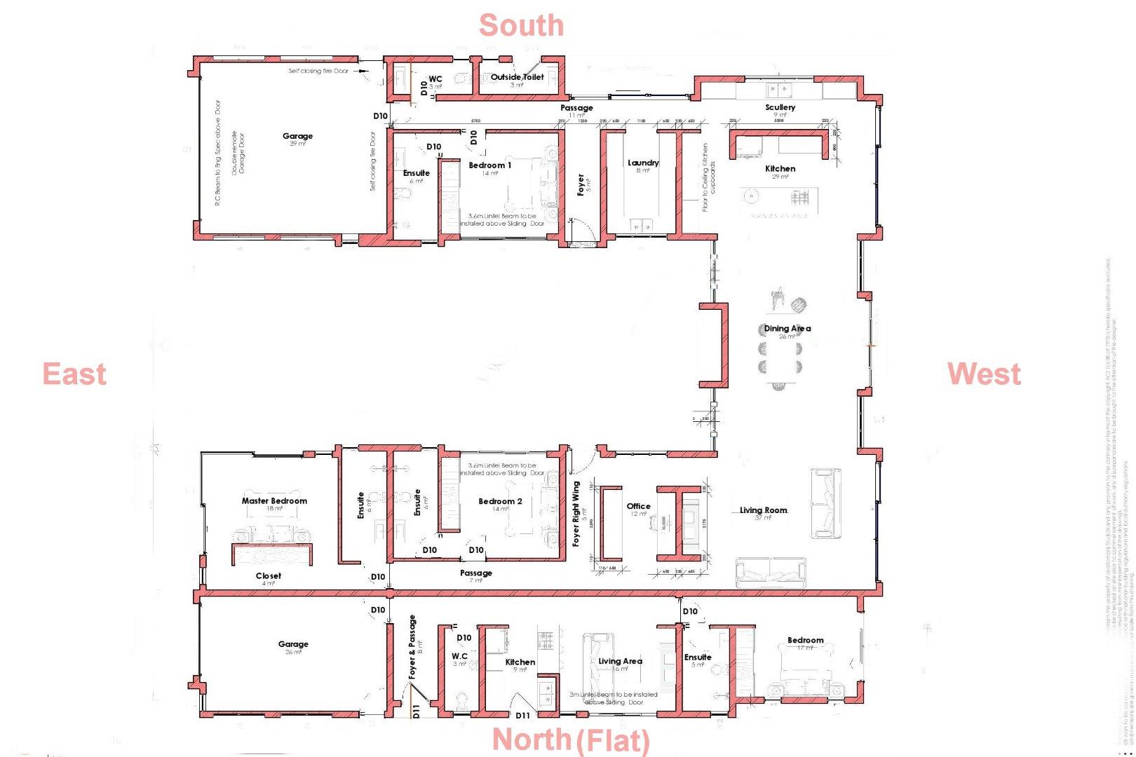
* Floor layout of the development

* Images showcasing elevations of the home

The home is designed:

* U-Shape, with large wind protected courtyard garden, accessible from all bedrooms and living areas of main home

* 1 Bedroom apartment attached to the home, with own garage

Expectation:

* Attractive finishes, like

*** Granite tops

*** Upmarket light and plumbing fittings

*** Vinyl floors

Main home offer:

* Reception Foyers to both the left and right wings of the home

* Large, centrally located living area, with sliders to the courtyard patio/garden

* Living area is open plan with kitchen, and provides for dining room and lounge.

* Adjacent to living area is an outdoor entertainment area with large BBQ

* Kitchen has island and breakfast nook

* Scullery

* In the South Wing of the home is :

*** Laundry

*** Guest Loo

*** 1 Bedroom with private bathroom

*** Double Garage

* In the North Wing of the home is:

*** Study

*** 2 x Bedrooms, with private bathrooms (one being the main bedroom)

*** Main bedroom has dressing area/room

* All bedrooms have sliders to the courtyard/garden area

* All bathrooms offer shower, basin, toilet (double basins for main bathroom)

Flat

* Attached to the home on the North Side, it offers:

*** Reception foyer

*** Kitchen, open plan with living area

*** Guest Loo

*** Bedroom with private bathroom

*** Bathroom offers shower, basin, toilet

*** Large single garage (26m2)

General:

* Outside toilet

* Perfect design for Swakopmund weather

* Erf 971m2

* Home 281m2, Flat 58m2, Garages total 65m2, TOTAL 346m2

Price: N$6 200 000

Property Features
Property Type
House
Bedrooms
3
Bathrooms
3
Garages
3
Floor Size
346m²
Land Size
971m²
Living Area
2
Study
1
Additional Information
Bedroom
3 Bedrooms in main home, all with private bathrooms 1 Bedroom in flat, with private bathroom
Bathroom
All bathrooms have shower, basin, toilet (double basins for main bedroom)
Location
Make an enquiry
Interested in this property? Please fill in your details below, and we will contact you as soon as possible.
By clicking on "submit" you agree to our privacy policy.
Property Alerts
Receive email alerts for properties matching your criteria.
You may also be interested in these properties
N$ 4,980,000
House for sale in Dunes
Dunes (kramersdorf), Swakopmund: Beautiful, Upmarket, Modern Home Is For Sale
Entertain effortlessly in the heart of Dunes with a huge BBQ room flowing to a protected, light-filled garden. Designer kitchen, upstairs balcony, three bedrooms, two baths and tandem garage.
3
2
4
354m²
672m²
N$ 4,400,000
House for sale in Dunes
Dunes, Swakopmund: 3 Bedroom Home In A Very Good Position Is For Sale
3 bedrooms, 2 bathrooms, double garage, 216.6 m² floor size on 821 m² land in Omaruru street. Price: N$4 400 000.
3
2
2
216.6m²
821m²
N$ 6,300,000
House for sale in Swakopmund Ext 8
Ext 8 (border With Hage Heights), Swakopmund: Quaint Cottage Style Home Is For Sale
Perfect for multigenerational family life and entertaining in a peaceful leafy neighbourhood on a huge 1,100 m² plot, featuring an indoor BBQ, expansive deck, four beds, four baths, double garage.
4
4
2
437m²
1,100m²